全国咨询热线
15240445100

江苏楚冠工业科技有限公司

Jiangsu Chuguan Industrial Technology Co., Ltd

匠心铸造卓越,科技引领未来


相关关键词:呼吸阀 过滤器 阻火器 消音器 视镜 配件...
您的位置:
  • 储罐外浮盘
  • 储罐外浮盘

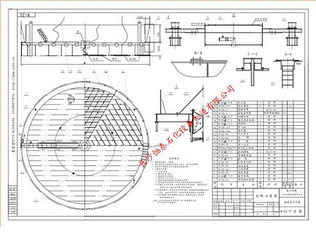
    储罐外浮盘是安装在大型立式油罐或化学储罐内、浮于液面的密封结构,能随液位升降,减少物料挥发损失、防污染并提高储存安全性。相比固定顶储罐,显著降低油气挥发。其结构由浮盘面板、浮箱或浮筒等组成,材料选轻质高强、防腐的铝合金或不锈钢,适用于多种介质储存罐体。功能包括减少挥发损耗、防气体污染、自动适应液位变化、提高罐体安全性和延长罐体寿命。

    • 0.00
      0.00
商品描述

储罐外浮盘是安装在大型立式油罐或化学储罐内、浮于液面的密封结构,能随液位升降,减少物料挥发损失、防污染并提高储存安全性。相比固定顶储罐,显著降低油气挥发。其结构由浮盘面板、浮箱或浮筒等组成,材料选轻质高强、防腐的铝合金或不锈钢,适用于多种介质储存罐体。功能包括减少挥发损耗、防气体污染、自动适应液位变化、提高罐体安全性和延长罐体寿命。


    储罐外浮盘是一种安装在大型立式油罐或化学储罐内部、直接浮于液面上的密封结构,随液位升降而上下浮动,主要用于减少罐内物料的挥发损失、防止外部污染和提高储存安全性。相比固定顶储罐,外浮盘显著降低了油气挥发量,满足节能环保和安全生产的双重要求。

    外浮盘结构主要由浮盘面板、浮箱或浮筒、密封系统、导向装置等组成,材料选用轻质高强防腐耐用的铝合金或不锈钢,适用于汽油、柴油、航空煤油、苯类、醇类及多种化工介质的储存罐体。


产品功能

  • 减少挥发损耗:液面上覆盖浮盘,显著降低蒸发损失;

  • 防止气体污染:密封系统有效隔离液体与大气,控制VOC排放;

  • 自动适应液位变化:浮动结构随液位升降,无需额外动力;

  • 提高罐体安全性:减少爆炸危险区范围,提升整体防火性能;

  • 延长罐体寿命:降低油气腐蚀,减轻顶盖负荷与罐壁内压;


主要技术参数

项目参数范围
适用罐型大型立式储罐(内径DN10m ~ DN80m)
材质选择铝合金、不锈钢304/316、碳钢(防腐处理)
浮盘类型铝制浮箱式、铝制浮筒式、不锈钢全焊接式等
密封系统双唇式弹性密封、泡沫密封、滚轮密封(可选)
设计标准API 650 / GB 50341 / SH/T 3046 等
密封气密性≤2% 体积泄漏率/年
抗风载/雪载能力可根据地区环境条件定制
使用介质原油、成品油、醇类、苯类、醚类、液化气等

产品特点

  • 环保节能:可降低80%以上挥发损失,显著提升环保合规性;

  • 密封性能优异:采用多道密封系统,有效应对温差与液位变化;

  • 结构轻便、强度高:采用模块化结构设计,施工便捷、维护成本低;

  • 使用寿命长:耐腐蚀、防老化,适用于多种化学液体储存;

  • 安全等级高:降低储罐爆炸危险区体积,提升整体安全防护等级;


应用领域

  • 石油炼化企业:适用于汽油、柴油、原油等产品油储罐;

  • 化工与精细化工行业:适用于有机溶剂、化学试剂储存;

  • 油品物流与中转站:适用于大型储油基地和罐区;

  • 环保工程项目:用于治理VOCs排放、提升储运绿色等级;

  • 军用与航空储油系统:用于高安全等级的油料储罐工程;


关于我们

易派客(江苏)工业科技有限公司致力于为能源、化工、环保等行业提供高性能储运设备与系统解决方案。我们研发的储罐外浮盘产品,凭借可靠的密封技术、优质的材料选配及严苛的制造标准,广泛应用于国内外大型储罐工程中,深受客户认可。

我们支持个性化定制,提供现场测绘、设计、安装及售后全流程服务,欢迎垂询合作,共同打造更绿色、更安全的储运系统。




上一个:
下一个:
Product Center
产品中心
全国咨询热线
15240445100